Vision4ce Products

Video Target Tracking

image tracking a jet-ski using IR Video
image of CHARM-80 board
image tracking using IR Video
Video Tracking hardware offered by Vision4ce
Video Tracking hardware Encolsure offered by Vision4ce
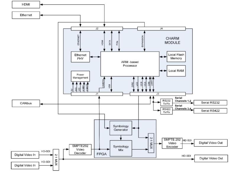
CHARM 80 graphic of board architecture

CHARM-80
Video Tracker board 80mm x 90mm

The Vision4ce CHARM-80 video tracker uses the CHARM Module and the DART (Detection & Acquisition, with Robust Tracking) detection and target tracking software hosted on an embedded multicore ARM processor board for video tracking and image processing applications. The CHARM80 has SD resolution analog video interfaces.

Download Product PDF

CHARM-80
Video Detection & Tracking

A video tracker analyzes video image sequences from a sensor system (one or more cameras), mounted on a servo-controlled pedestal (platform) to keep the camera pointing at the nominated person or object. Within this context, a Tracker has two primary processing functions.
• Detecting and locating objects of interest in the video image (object location).
• Controlling the platform (Pan and Tilt) position and rate such that the camera follows the designated object (Pan and Tilt Control).

 

CHARM-80 Features:

Key Features
  • • Multiple object detection and tracking
  • • Centroid & edge measurement
  • • Feature based correlation algorithm
  • • Moving object detection
  • • Adaptive background removal
  • • Automatic coast
  • • Grey level invariant algorithms
  • • Robust clutter rejection
Interfacing
  • • Two analog video (NTSC, RS710, PAL or CCIR) inputs
  • • Two analog video (NTSC, RS710, PAL or CCIR) outputs
  • • Selectable symbology overlay on one video output
  • • Host interface through RS-232 or RS422 serial interfaces
  • • Electrical interface compatibility with the Octec/GEIP AIM12 video tracker
  • • Optional interface protocol compatibility with the Octec/GEIP AIM12 video tracker
  • • Gigabit LAN
Additional Image Processing Options
  • • Video Compression and streaming
  • • Electronic image stabilization
Applications
  • • Security and surveillance
  • • UAV & UGV
  • • Manned vehicles
Enclosure

A rugged enclosure is available for the CHARM-80. The enclosure includes an input power supply which allows the CHARM-80 to be powered directly from vehicle and aircraft power sources.

CHARM-80 Options and Applications

The CHARM-80 is a high performance standalone video tracker for operation independent of any bus interface requirements. Analogue SD video interfaces are provided and host interface is through either an Ethernet port or multiple serial links

 

Interfaces

• Two analogue video inputs
– 1.0V peak to peak into 75 Ohm
– CCIR, RS170, PAL or NTSC
• Two analogue video outputs
– 1.0V peak to peak into 75 Ohm
– CCIR, RS170, PAL or NTSC (depending on input)
– Selectable symbology overlay on one output
• Four bidirectional serial interfaces
– 2 x RS232 and 2 x RS422
– Asynchronous
– Baud rate variable up to 115,200

Connectors

• 2X3 2mm Datamate L-Tek
– 2x RS232 serial
• 2x5 2mm Datamate L-Tek
– 2x RS422 serial
• 4xMMCX Jacks
– 2x video inputs
– 2x video outputs
• RJ-45
– Gigabit Ethernet
• 1x4 2mm Datamate L_Tek
– Power +5VDC
(Compatible with Octec/GEIP AIM-12)

Power

• +5V, <8 Watts

Mechanical

The CHARM-80 is a single 77mm by 90mm PCB carrier with CHARM Module (50mm x 50mm) attached using high density connectors.

Environmental

• Temperature
– Operating -40C to +71C
– Non-operating -55C to +85C
– Thermal shock (operating) > +/- 5C per minute
• Humidity
– 5% to 95% non-condensing
– Optional conformal coating available
• Shock
– 30g, 11ms

US Supported
Designed and manufactured in the UK