Vision4ce Products

Video Target Tracking

image tracking a jet-ski using IR Video
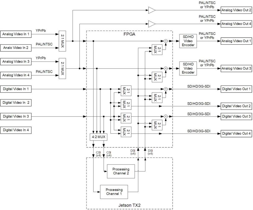
image of CHARM-100 tracking interface architecture
image tracking using IR Video
Video Tracking hardware offered by Vision4ce

CHARM-100
Video Processing Board 100mm x 100mm x 20mm (3.94” x 3.94” x 0.8”)

The Vision4ce CHARM-100 is a standalone video processing board for embedded video and image processing applications which is designed to host the Vision4ce VMS software. The VMS software includes the field proven DART video tracking software. The CHARM-100 is based on a NVIDIA Jetson embedded processor which incorporates a multi-core ARM processor and powerful GPU. Video interfaces are provided for HD and SD video in both analog and digital formats.

Download Product PDF

CHARM-100

The CHARM-100 is a high performance standalone video processing board. Video interfaces are provided for HD and SD video in both analog and digital formats. The primary host interface is through an Ethernet port. Multiple serial links are also provided. The Mini PCIe slot can be used to add up to 2 additional Ethernet ports.

 

CHARM-100 Features and Variants:

Video Interfaces

The CHARM-100 has the following video interfaces

Video Inputs

• 2 x PAL/NTSC
• 2 x YPbPr
• 4 x SD/HD/3G SDI
• 2 x SD analogue video inputs
– 1.0V peak to peak into 75 Ohm
– CCIR, RS170, PAL or NTSC
• 2 x HD analogue video inputs
– 1.0V peak to peak into 75 Ohm
– YPrPb • 4 x HD digital video inputs – SD-SDI, HD-SDI, 3G-SDI
– 480i60, 576i50, 720p50/59.94/60, 1080p25/29.97/30, 1080i50/59.94/60, 1080p50/59.94/60)
– Variants for CameraLink and HDMI

Video Outputs

• 4 x PAL/NTSC/YPrPb
• 4 x SD/HD/3G SDI
Variants for CameraLink, CoaXPress and HDMI
• 4 x SD/HD analogue video outputs
– 1.0V peak to peak into 75 Ohm
– CCIR, RS170, PAL, NTSC or YPbPr
– Selectable symbology overlay on two outputs
• 4 x HD digital video outputs
– SD-SDI, HD-SDI, 3G-SDI
– 480i60,576i50,720p50/59.94/60, 1080p25/29.97/30,1080i50/59.94/60, 1080p50/59.94/60)
– Selectable symbology overlay on two outputs

VMS Software

The CHARM 100 hosts the Vision4ce VMS which is a comprehensive real time video management software suite for video and image processing. The VMS software includes the following capabilities:
• Video detection and tracking using Vision4ce DART library
• Video compression and recording
– H.264, M-JPEG
• Video streaming
– MPEG-TS (STANAG 4609)
– RTSP
– DEF STAN 00-82
• Electronic image stabilization
• Panoramic image formation
• Image enhancement
• Camera control
• Servo platform control
• Remote control over IP

Data Interfaces

• 1 x Ethernet
– 1000 Base-T
• 1 x Serial
– 1 x RS232
– 3 x RS422
• 1 x CANbus

Power

• 12VDC +/-5%
• <20W

Expansion

• 1 x mini PCIe slot

Mechanical

• Dimensions 100 x 100 x 20mm (3.94” x 3.94” x 0.8”)

Environmental

• Temperature
– Operating -25C to +71C
– Non-operating -40C to +85C
• Humidity

– 5% to 95% non-condensing
– Optional conformal coating available
• Shock

– 30g, 11ms

Architecture

The CHARM 100 uses a FPGA for high speed, low latency video interfacing and processing combined with the flexibility of the Jetson embedded processing which includes the following resources:
• Quad core ARM A57 CPU
• 256 CUDA core GPU
• Video accelerator for video encode/decode
The CHARM 100 processes two concurrent streams of standard definition or high definition video selected from the multiple analog and digital video inputs. The output video is genlocked to the input video and is comprised of low latency video from the selected input combined with processed video and graphics from the Jetson.

Applications

• Security and surveillance
• UAV & UGV
• Manned vehicles

Enclosure

A rugged enclosure is available for the CHARM-100. The enclosure includes an input power supply which allows the CHARM-100 to be powered directly from vehicle and aircraft power sources.