Vision4ce Products

Video Target Tracking

image tracking diogram using IR Video
image tracking a jet-ski using IR Video
image of CHARM-100 tracking interface architecture
Video Tracking moodule offered by Vision4ce

CHARM Module - Video Detection & Tracking
Embedded Video Tracker (Compact Hardware – ARM)

The Vision4ce CHARM Module product uses the DART (Detection & Acquisition, with Robust Tracking) detection and target tracking software hosted on an embedded multicore ARM+GPU processor board for video tracking and image processing applications. It has all digital interfaces.

It is designed to be used to create multiple form factor solutions such as 3U VME/VPX, 6U VME/VPX and PC-104, XMC etc. using a carrier board of the specific standard or custom form factor. More than one modules can be integrated onto larger boards thus allowing for a number of comprehensive multi-channel tracking solutions. It can also be integrated onto a larger system solution board which can save considerable space in small or large gimbals.

Download Product PDF

CHARM Module - Video Detection & Tracking

A video tracker analyzes video image sequences from a sensor system (one or more cameras), mounted on a servo controlled pedestal (platform) to keep the camera pointing at the nominated person or object. In this context a Tracker has two primary processing functions.

• Detecting and locating objects of interest in the video image (object location).
• Controlling the platform (Pan and Tilt) position and rate such that the camera follows the designated object (Pan and Tilt Control).

 

CHARM Module:

Key Features

• Multiple object detection and tracking
• Centroid & edge measurement
• Feature based correlation algorithm
• Moving object detection
• Adaptive background removal
• Automatic coast
• Grey level invariant algorithms
• Robust clutter rejection

Interfaces

• One parallel digital video input
• Video output through parallel and HDMI interfaces
• Host interface through serial or Ethernet interfaces
• Direct data interface to sensors or Pan & Tilt Platform through serial interface

Addtional Interface Options

• Video Input (1)
– ITU-R BT.656 or
– ITU-R BT.1120 or
– 8/16/24 bit parallel with separate syncs
• Video Outnput (2)
– ITU-R BT.656 or ITU-R BT.1120
– HDMI
• 2 x UARTs
• 1 x USB2.0
• GPIO
• 10/100/1000 Ethernet
• PCIe x1

Additional Image Processing Features

• Electronic image stabilization
• Image enhancement
• Streaming of SD & HD video

Applications

• Security and surveillance
• UAV & UGV
• Manned vehicles
• Automated video analysis

Data Interfaces

• 1 x Ethernet
– 1000 Base-T
• 1 x Serial
– 1 x RS232
– 3 x RS422
• 1 x CANbus

Connectors

• 4x 70 way board to board plug

Power

• 12VDC +/-5%
• <20W
• +5V, 3.3 VDC (5 watts)

Expansion

• 1 x mini PCIe slot

Mechanical

• Dimensions 100 x 100 x 20mm (3.94” x 3.94” x 0.8”)

Environmental

• Temperature
– Operating -25C to +71C
– Non-operating -40C to +85C
• Humidity

– 5% to 95% non-condensing
– Optional conformal coating available
• Shock

– 30g, 11ms
• Operating temperature -40C to +70C

Carrier Boards – Typical Options

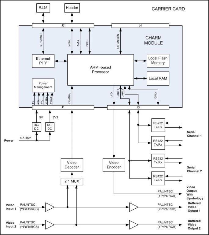
The CHARM module can be integrated by the end customer to meet specific application and interface types. Vision4ce can also provide a baseline carrier board that is populated with a generic range of interfaces for integration into customer systems for initial evaluation.
• CHARM 3U PCI/VME/ VPX – 1 or 2 CHARM modules (CHARM 3U 1/2)
• CHARM 6U PCI/VME/VPX – 1 or 2 CHARM modules (CHARM 6U 1/2)
• CHARM -104 – On PC104 - 1 CHARM Module
• CHARM – XMC/PMC – 1 or 2 CHARM modules
• Custom – 1 to 4 modules

CHARM Carrier Boards – Design

A CHARM carrier board creates is a standalone video tracker board using the CHARM Module and specific interface components which then allows direct connection to standard video and data interfaces. Many potential features can be integrated – see below for examples

Typical Interfaces

• 1 x RS232
• 1 x RS422/485
• 4 x USB2.0
• GPIO
• 10/100/1000 Ethernet
• Two or more NTSC/PAL/SECAM Composite Camera inputs and outputs
• Digital video input selectable from Camera Link, HD-SDI, HDMI, RGB or YPbPr
• CoaXPress
• Two independent digital video outputs - HDMI and 24 bit LCD
• Serial ATA 2.5 (SATA) @ 3 Gb/s